复合型AGV主要用于机台的上下料及仓库出入库,可以依据客户需求订制尺寸。车体载具和末端执行机构根据产品规格定制。根据不同场景,采用不同的相机。麦克纳姆轮驱动,AGV可以横向移动,可在狭窄空间作业。

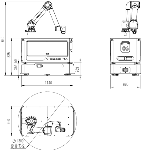
| 外形尺寸 | L1140*W660*H830mm |
| 导航方式 | 激光导航 |
| 驱动方式 | 差速驱动 |
| 导航精度 | ±10mm |
| 旋转半径 | 650mm |
| 安全防护 | 激光/机械/急停三重防护 |
| 负载能力 | 200公斤 |
| 锂电参数 | 48V40AH |
| 机械臂负载 | 3~35公斤 |
| 通讯方式 | WIFI/射频/光通讯 |
| 末端综合定位精度 | ±0.5mm |
| 自动/手动充电 | |
| 声光报警 | |
| 速度 | 1.2m/s |
鲁公网安备 37069302000867号